
产品用途:
泽德kompaktboy Doppel双泵系列污水提升装置,用于各类商业场所的污水提升,可连接多个马桶、蹲便器等卫生间污水。
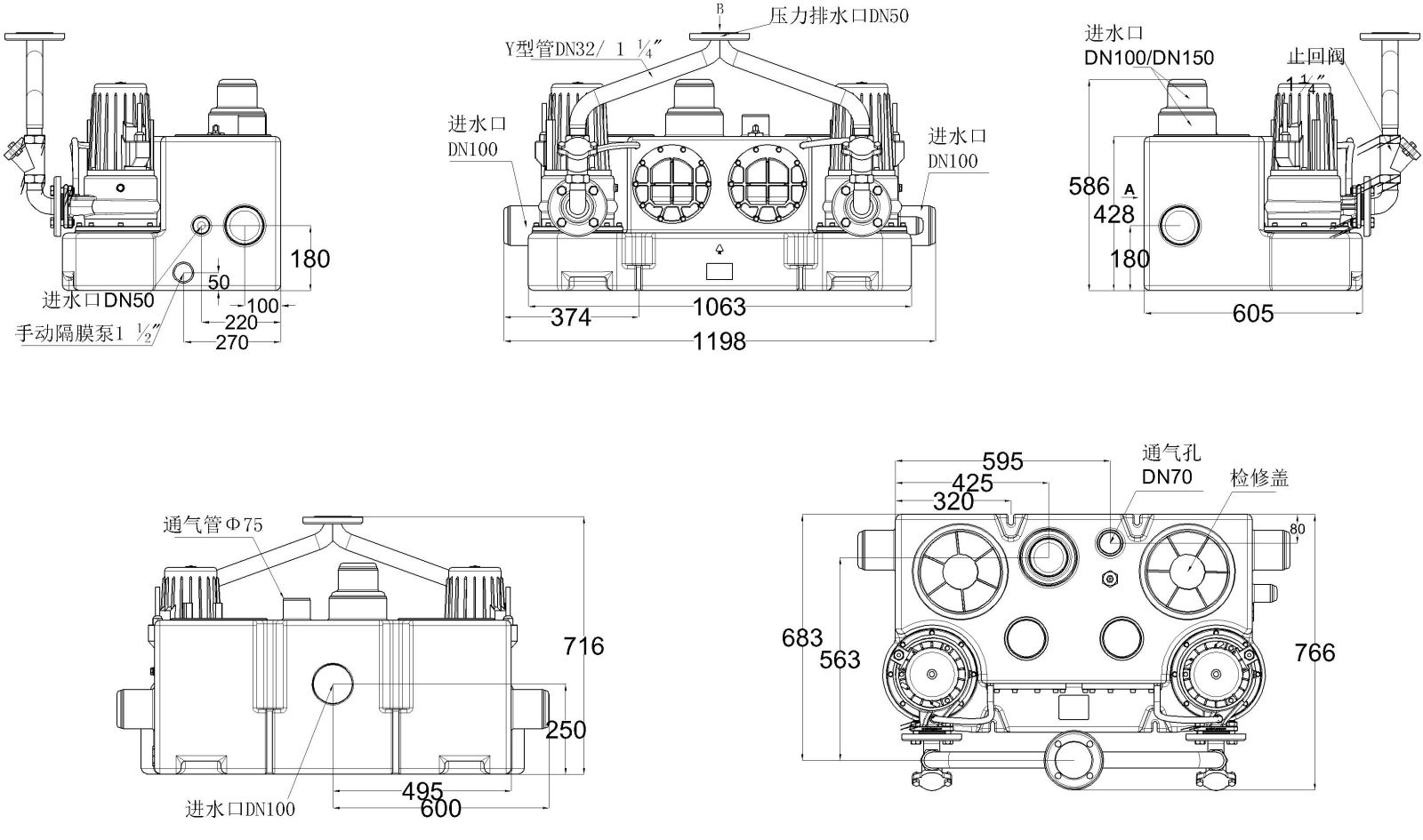
产品特点:
泽德Kompaktboy Doppel SE 污水提升装置双泵切割污水提升装置,具有高扬程、能耗低,静音效果好等,扬程可以达到39米,切割系统轻易粉碎各种杂质,带LCD的气动液位控制系统。
推荐产品:
德国泽德Kompaktboy Doppel SE 双泵切割污水提升装置的产品特点:
•150升有效容积的PE箱体
•采用两台切割泵,切割部件采用特种高硬度耐腐蚀合金
•采用机械密封和中间带油腔的轴封
•采用DN50的压力排水管道,带球型止回阀5/4“
•入口:侧面2×DN 100及1×DN50
后面1个DN100
上面1个DN100/150
•额外提供 1½”的连接手动隔膜泵接口
•通气孔:DN70(Ø75mm)
•3.5米连接电缆
供货范围:
PE塑料箱体,内装单向阀,Y型管,压力排水管DN50法兰片和柔性连接,带管箍的通气管连接、平稳的气动液位控制,紧凑的双泵提升机
ZPS2控制器带LCD液晶数字显示:液位、维护、运行时间和故障报警等信息
型号 | P1 [kW] | P2 [kW] | 电压 [V] | 电流 [A] | 转速 [min-1] | Qmax [m3/h] | Hmax [m] |
SE 71.1 W | 2.2 | 1.7 | 230 | 10.5 | 2800 | 17 | 22 |
SE 71.1 D | 2.1 | 1.7 | 400 | 3.7 | 2800 | 17 | 22 |
SE 71.2 D | 2.1 | 1.7 | 400 | 3.7 | 2800 | 17 | 25 |
SE 71.3 D | 3.9 | 3.2 | 400 | 6.5 | 2800 | 17 | 35 |
SE 71.4D | 3.9 | 3.2 | 400 | 6.5 | 2800 | 17 | 39 |



关注仁邦微信
点击任何区域关闭